
Contact Rating: 1A@120VAC or 28 VDC
Electrical Life: 50,000 cycles
Contact Resistance: 20mΩ max.
Insulation Resistance: 1,000MΩ min.
Dielectric Strength: 1,500V RMS @sea level


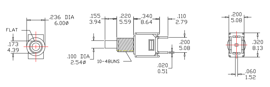
介紹:
迷你按鍵系列,有直腳和90度彎腳,有插件DIP和貼片SMD,有搭配各種帽子,常用于消費(fèi)類(lèi)電子。


